Symcon meets Gartensauna

Guten Morgen, Leute.

ich plane den Bau eines Saunahauses in unserem Garten.
Natürlich darf Symcon da nicht fehlen.

Wichtigster Punkt ist die Steuerung des Saunaofens.

Das Saunahaus bekommt eine kleine Unterverteilung, da soll neben der Saunasteuerung auch eine Symbox rein.

Ich dachte an RS485 Modbus RTU

2 Temperatursensoren sollen ein Relais ein/ausschalten welches den Ofen triggert.

welche Komponenten würdet ihr einsetzen?

oder habt ihr andere Ideen/ Vorschläge?

Ich möchte nach Möglichkeit alles mit der Symbox erschlagen, ohne weitere Hubs einzusetzen.

Auch wollte ich keine 1000 Kabel legen, ein NYY-J 5x6 und ein Netzwerkkabel sollte reichen.

gerne nehme ich andere Ideen und Gedanken auf.

Für einenn simplen PI Regler oder einen Adapter RS485 auf IP wirkt mir eine Symbox ziemlich übertrieben. Oder hast du im Haupthaus kein Symcon?

Netzwerk würde ich ggf. als Glas mit Konverter ausführen. Wirklich teurer ist es auch nicht, spart aber am Ende böse Überraschungen.

1 „Gefällt mir“

im Haupthaus ist Symcon natürlich vorhanden.
Du hast aber recht, ein einfacher Konverter von Modbus RTU auf TCP tut es ja auch.

was meinst du mit bösen Überraschungen?
Potentialverschleppungen usw.?

oder wo willst du drauf hinaus?

Würde einen 2-Punkt Regler mit Modbus nutzen und zusätzlich auch einen Temperaturschalter (ohne Symcon/ fester Wert) der notfalls den Ofen auch abschaltet wenn der andere Regler einen „komischen“ sollwert bekommt.

1 „Gefällt mir“

Ja genau. Selbst wenn der Strom aus dem selben Hauptverteiler kommt. Gibt dann ganz merkwürdige Effekte an diesem Gerät bishin zum Grillen.

welchen Konverter würdest du vorschlagen?

Hat Unifi sowas im Portfolio?

Wieviel kW soll der Ofen haben, max 7,5 kW?
Soll es eine fertige Steuerung sein, Klafs oder Ähnliche?
Spannungsabfall 1% (Leitungslänge) berücksichtigen
FI/LS Schutzschalter
Wenn du evtl. ein E-Auto hast, die Lastbegrenzung bzw Verriegelung zwischen den Verbrauchern nicht vergessen.

Ansonsten ist eine selbst gefertigte Steuerung kein Problem wenn man folgendes berücksichtigt:
PI-Regelung +/- 1 Grad (Zeitkonstante ganz wichtig) sonst hast du laufend EIN/AUS
Sollwertsvorgabe vorOrt über Symcon
1X Temp-Istwert (DS18B20 oder Pt 100)
1X Temp-Grenzwert ( mechanischer Sensor oder DS18B20 oder Pt 100)
Sicherheitsschaltung ohne Symcon 1X Temperatur- Grenzwert für Notabschaltung und Zeitüberwachung max Zeit ( direkt wirkend zB. mit Shelly auf das Hauptschütz).

der Ofen soll zwischen 9kW und 11kW haben.
E Auto. bzw. Wallbox (max.11kW) wird mittelfristig kommen.

Da habe ich mit meinem 63A Hausanschluß noch ausreichend Reserve.

Ich überlege aktuell die Steuerung des Saunaofens einer Siemens LOGO zu überlassen.

Symcon soll in diesem Fall nur noch visualisieren.

die Steuerung eines Saunaofens ist ja kein Spass mehr, das muss jederzeit zuverlässig funktionieren.

Das Risiko das Symcon abschmiert und der Ofen dann vielleicht Schaltzustände annimmt, die man nicht haben will, ist mir zu hoch.

1 „Gefällt mir“

Unsere Sauna wird auch über die LOGO! geregelt, Vorlagen gibt es bei Siemens.

1 „Gefällt mir“

Hi Senior,

danke, dein Statement bestärkt meine Gedanken

Moin,

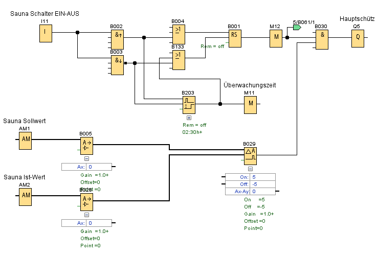
ich nutze seit 15 Jahren einen Arduino mit Dallas OneWire Temperatur Sensoren. Der Arduino ist über IP in Symcon eingebunden. Symcon steuert den Ofen über das Heating-Modul → Schütz. Stand heute gab es nur einmal einen “hänger” in der Steuerung. Aber dafür habe ich (natürlich) 2 unabhängige Abschaltungen (Thermosicherungen die man per kräftigem Druck wieder zurücksetzen kann). Ich finde es halt schön, über das Tablet oder iPhone die Solltemperatur vorzugeben. Würde ich es heute nochmal neu bauen, würde ich vermutlich ein Arduino pro Opta einsetzen. Wenn man bei der Logo die Temperatur auch via IPS vorgeben kann ist das auch schick, :slight_smile: Ach ja… ein Timer schaltet die Sauna nach spätestens 4 Stunden Automatisch wieder aus. Hatte es mal vergessen und erst nach 24 Stunde gemerkt… war nicht günstig. Seit dem ist die Zeitschaltung Integriert.

Kleines Beispiel

wenn du ein bisschen Basteln willst , ich hätte noch ein paar Pokeys57e liegen. (gibt hier im Forum einige Beiträge auch zur Anbindung an IPS)

die Verbauten machen schon seit Jahren Ihren Dienst, als (FBH)Heizungssteuerung, Terrarium Vollautomatisierung, Campersteuerung, Lüfterregelung ,….

naja viele Dinge eben, TCP über Modbus , TemperaturSensoren ohne Ende und ansonsten auch wenig Beschränkungen was IOs angeht.

ist evtl mit Kanonen auf Spatzen aber vllt hast du in der Nähe noch ein paar Dinge zum Steuern, das kann dann alles mit auf den Pokeys drauf.

Hi BeLo,

basteln möchte ich nicht mehr, trotzdem Danke für deinen Beitrag :wink:

keine Lust auf Basteln aber IPS benutzen? versteh ich nicht :sweat_smile:

genau deswegen, sonst würde ich ja HA nutzen :face_with_tongue: